替代进口SPD
易造科技电涌保护器(SPD)适⽤于交流50/60Hz,220V/380V供电系统,一般安装在海拔2000m、环境温度在-40℃〜+80℃以下的地方。⽤于对雷电影响或其它瞬时过压引起的电涌进⾏保护,将电源线上的浪涌⼤电流泄放到⼤地,对过电压进⾏限制。主要安装在供电系统的各配电柜(箱),起到保护线路和⽤电设备以及⼈⾝的安全。
易造科技的电涌保护器针对不同的产品有不同的安装要求:
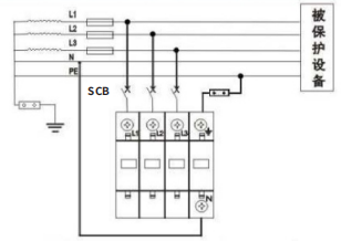
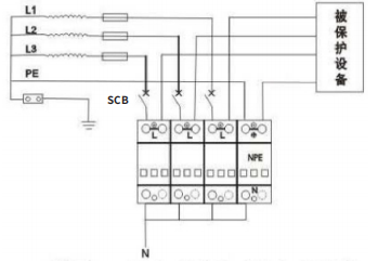
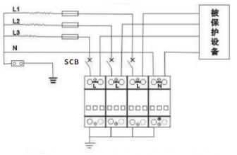
(1)电源类电涌保护器在设备上都是并联安装的,并联电路电流在分支处要分为两路,每一路都有电流流过,因此即使某一支路断开,但另一支路仍会与干路构成通路。由此可见,在并联电路中,各个支路之间互不牵连。当雷电流或感应浪涌来袭时,使SPD动作,将这些浪涌转移入大地(不会流过被保护设备),从而使得保护设备能够正常的工作。

①适⽤于 3P+N产品

②适⽤于4P产品

③适⽤于3P+N产品

④适⽤于4P产品
(2)信号类电涌保护器串联在被保护设备与信号通道之间,在串联电路中,如果有一个用电器损坏或某一处断开,整个电路将变成断路,电路就会无电流,所有用电电器都将停止工作。所以在串联电路中,当感应浪涌来临时,通过内部结构,正常工作电流从输出端输出,感应电流从接地端流向地面。

信号SPD在线路中安装方式
易造科技的电涌保护器(SPD),EPO-20AL、EPO-80BL、EPO-40CL,具备安装方式简便、结构合理的特点,已经广泛应用于各种防雷器的安装。
微信咨询
官方公众号
