浪涌保护器怎么安装?浪涌保护器,是一种为各种设备、通讯线路提供安全防护的电子器件。浪涌保护器的安装是防雷工程重要的环节,如不能正确的安装电涌保护器就不可能起到保护设备的功能,甚至还会出现损坏设备和造成人员伤害的事故,接下来小编从以下几个方面说一下电涌保护器的安装。
一、安装位置
浪涌保护器怎么安装?根据防雷分区及其类型,易造YSPD系列浪涌保护器的安装位置如下:
T1类或大通流:安装于独立的总配电箱或住配电柜总进线处,以便有效泄放部分雷电流,安装在防雷分区LPZ 0B与LPZ 1之间。
T2类或第1级:安装于主配电柜进线处,为消除耦合效应需尽快泄放感应电流,从而限制电涌电压,安装在防雷分区LPZ 1与LPZ 2之间。
T3类或第二级:安装于第二级配电盘且接近敏感电子设备处,进一步限制电涌过电压以提高保护水平,安装在防雷分区LPZ2往后的区域。

二、保护模式
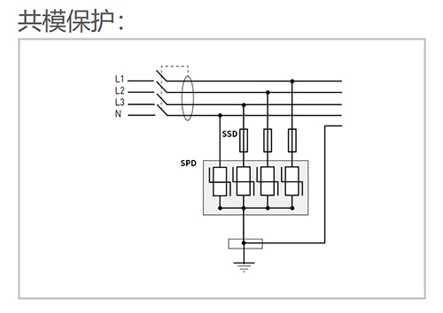
共模保护:
浪涌保护器怎么安装?由于雷电电涌本质上是共模现象,因此交流电流SPD主要以共模方式(在有源导体和地之间)连接,实现相对地保护。

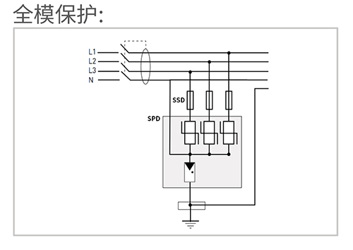
全模保护:
浪涌保护器怎么安装?全模保护是既有共模保护又有差模保护,某些应用需要额外的差模保护(在相线和零线之间),此类情况下通过气体放电管实现零线对地(共模)保护。

三、安装方式
浪涌保护器怎么安装?在交流电源系统上并联连接,并且必须配备后备保护器以提供短路保护。
① 总接线长度不得超过0.5m,以避免增加SPD的电压保护水平Up
接线通过螺钉连接,某些情况下可利用配电总线。
② SPD接地线必须连接至配电柜/箱的等电位接地排。
③ T2类SPD接地导线截面积不得小于6mm²,T1类SPD接地导线截面积不得小于16mm²。
④ 接地电阻必须符合当地的电气规范要求。

浪涌保护器怎么安装很重要,浪涌保护器的接线方式、安装位置、保护模式的选择都需要特别注意。易造科技研发生产的YSPD浪涌保护器系列满足了各行业的防雷要求,同时充分考虑到各种使用场景,可以为客户进行一对一选型设计,免费指导技术人员安装培训,欢迎垂询!
-End-